1. Forum
  2. Artikel
  3. Tools
    1. Abluft Rechner
    2. DLI Rechner
    3. Ertrags Rechner
    4. Ernte-Countdown Rechner
    5. Gießmengen Rechner
    6. LED-Abstands Rechner
    7. Pflanzenanzahl Rechner
    8. Stromkosten Rechner
    9. VPD Rechner
  4. Mitglieder
    1. Letzte Aktivitäten
    2. Benutzer online
    3. Team
    4. Mitgliedersuche
    5. Trophäen
  5. Partner
  6. Kontakt
  • Anmelden
  • Registrieren
  • Suche
Dieses Thema
  • Alles
  • Dieses Thema
  • Dieses Forum
  • Artikel
  • Seiten
  • Forum
  • Erweiterte Suche
  1. The-Greenleaf - Cannabis Grow Community
  2. Züchten
  3. Equipment & Klima
PREMIUM WERBUNG
PREMIUM WERBUNG
PREMIUM WERBUNG

Fragen zum Thema Elektrik bzw. Elektronik

  • Wulfman77
  • 1. Mai 2016 um 15:50
  • Wulfman77
    CANNA–VET
    Reaktionen
    5.656
    Trophäen
    2
    Beiträge
    2.374
    • 1. Mai 2016 um 15:50
    • #1

    Da auch immer wieder Fragen zu diesem Thema auftauchen biete ich euch hiermit auch für diesen Bereich
    gerne meine Hilfe an :D
    Wer also interresse an elektronischen Schaltungen für den Growbereich hat bzw. hierzu Unterstützung benötigt
    kann sich auch hier gerne melden.
    Ich habe bereits einige Schaltungen (auf AVR basis) für diesen Bereich entwickelt und stelle auch gerne
    für alle die sich zutrauen sowas selbst zu bauen, die entsprechenden Schaltpläne, Platinenlayouts
    und ev. auch entsprechnde SW zur Verfügung.  ;)

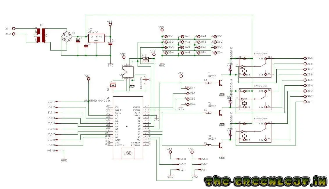
    Hier gleich mal ein Beispiel für eine universelle frei programmierbare Steuerung,
    basierend auf einem Arduino nano.
    Die Steuereung beinhaltet folgende Optionen:

    8 Analoge Eingeänge -- für Temp., Wasser, Lich- sensoren usw.
    2 digitale Ports ( für weitere Relais, Funksteuerung usw.)
    1x I²C BUS mit 4 ports (erweiterbar auf 64)
    1x RTC (Echtzeituhr)
    3x Relais (- 230V 10A)
    1 Ser. Port (für z.B. [lexicon]BT[/lexicon] oder Funkmodule)

    Einmal editiert, zuletzt von Wulfman77 (1. Mai 2016 um 16:04)

  • blablupp
    HARVESTER
    Reaktionen
    174
    Trophäen
    1
    Beiträge
    86
    • 1. Mai 2016 um 19:57
    • #2

    Sehr geil!
    Das überschreitet jedoch mein Elektrik Wissen... Aber was ja noch nicht ist, kann noch werden!

PREMIUM WERBUNG
PREMIUM WERBUNG

PRO-Mitglied

PRO-MITGLIED WERDEN
Keine Werbung & vieles mehr...

Social-Media

Letzte Beiträge

  1. Sweet Amnesia und purple Punch og

    mrsalz
    23. April 2026 um 19:13
  2. Gorilla Glue Auto in Herbis Living Soil

    mrsalz
    23. April 2026 um 19:10
  3. Gerade eine Charge Zingatsu fertiggestellt — alles sauber und glatt. ✨💨

    Pan
    23. April 2026 um 16:50
  4. [Hydro] Growrilla 19 L 60x60cm 100W Blue Cheese RQS

    Shwuns
    23. April 2026 um 11:26
  5. Music- ich hör gerade... :)

    RobLow
    23. April 2026 um 07:18

Heiße Themen

  1. Neuanschaffungen

    338 Antworten
    Vor 6 Monaten
  2. Düngertipps & Erfahrungen: Hakaphos und andere Dünger!

    48 Antworten
    Vor 5 Monaten
  3. Neuling brauch Rat für den Start

    187 Antworten
    Vor einem Jahr
  4. Heizung in the Box 🤔

    38 Antworten
    Vor 5 Monaten
  5. Wurzelmittel

    25 Antworten
    Vor 4 Monaten

Neueste Mitglieder

  1. ThePunisher81

    17. April 2026 um 15:16
  2. Evil2.0

    15. April 2026 um 17:44
  3. RemoteControl

    9. April 2026 um 11:39
  4. LinealMan

    9. April 2026 um 11:24
  5. Miss_grow

    5. April 2026 um 19:57

Themen-Schlagwortwolke

  • Abluft
  • Akf
  • Anbau
  • Anfänger
  • Auto
  • Autoflowering
  • Automatic
  • Bio
  • Blätter
  • Blüte
  • cannabis
  • CBD
  • diy
  • Dünger
  • Erde
  • Ernte
  • Ernte Zeitpunkt
  • Ertrag
  • Gelbe Blätter
  • Giessen
  • grow
  • Growbox
  • Haze
  • Hilfe
  • Hydro
  • indica
  • Indoor
  • LED
  • led grow
  • licht
  • Lüfter
  • mangel
  • Mangelerscheinung
  • NDL
  • Outdoor
  • outdoor grow
  • Pflanze
  • ph
  • Problem
  • probleme
  • Samen
  • Sativa
  • Schimmel
  • Seeds
  • Sorten
  • sweet seeds
  • temperatur
  • Wachstum
  • Wasser
  • Weed
PREMIUM WERBUNG

Forum online seit...

17 Jahren, 11 Monaten, 3 Wochen, 2 Tagen, 19 Stunden und 31 Minuten

Online seit « 2008 » sind wir der Anlaufpunkt für den Anbau für den Eigenbedarf und Infos rund ums Thema « Cannabis ».

  1. Impressum
  2. Nutzungsbedingungen
  3. Datenschutzerklärung
  4. Kontakt
  5. Spenden
  1. PARTNER
    1. IHRE WERBUNG HIER!
    2. IHRE WERBUNG HIER!
    3. IHRE WERBUNG HIER!
    4. IHRE WERBUNG HIER!
    5. IHRE WERBUNG HIER!
    6. IHRE WERBUNG HIER!
  2. PARTNER
    1. IHRE WERBUNG HIER!
    2. IHRE WERBUNG HIER!
    3. IHRE WERBUNG HIER!
    4. IHRE WERBUNG HIER!
    5. IHRE WERBUNG HIER!
    6. IHRE WERBUNG HIER!
  3. PARTNER
    1. IHRE WERBUNG HIER!
    2. IHRE WERBUNG HIER!
    3. IHRE WERBUNG HIER!
    4. IHRE WERBUNG HIER!
    5. IHRE WERBUNG HIER!
    6. IHRE WERBUNG HIER!
  4. PARTNER
    1. IHRE WERBUNG HIER!
    2. IHRE WERBUNG HIER!
    3. IHRE WERBUNG HIER!
    4. IHRE WERBUNG HIER!
    5. IHRE WERBUNG HIER!
    6. IHRE WERBUNG HIER!
Community-Software: WoltLab Suite™